Главная > Подшипники> Роликовые > Радиально-упорные>33008JR

33008JR — Подшипник роликовый радиально-упорный, импортное производство по ISO стандарту, размер 40x68x22 номер основного исполнения 33008.
Производитель: KOYO.
J = Сепаратор стальной штампованный незакалённый.
Цена от:657 р.
Цена на подшипник зависит от:
| Обозначение | Модификация |
|---|---|
| 33008 | Основное конструктивное исполнение. |
| 33008F | Механически обработанный сепаратор из стали или чугуна, центрируемый по телам качения. |
| 33008 A | A = внутренняя модификация конструкции. |
| E33008J | J = Сепаратор стальной штампованный незакалённый. |
| 4T-33008 | |
| HR33008J | J = Сепаратор стальной штампованный незакалённый. |
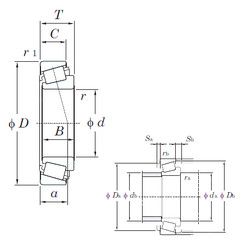
Габаритные размеры
Размеры и геометрические характеристики
Нагрузка и ресурс
Защита
Коэффициенты для расчета
Присоединительные размеры
Конструкция и исполнение
Конический роликоподшипник 40KB681A1 (NACHI)
Конический роликоподшипник 4T-CR-0891 (NTN)
Подшипник роликовый радиально-упорный HC TRA080702 (KOYO)
Подшипник роликовый радиально-упорный HI-CAP 57390A (KOYO)
Конический роликоподшипник NP508367/NP873173 (TIMKEN)