Главная > Подшипники> Роликовые > Радиально-упорные>HI-CAP 57390A

HI-CAP 57390A — Подшипник роликовый радиально-упорный, импортное производство по ISO стандарту, размер 40x68x22 номер основного исполнения .
Производитель: KOYO.
P5 = Подшипники 5-го класса точности DIN
Цена по запросу
Цена на подшипник зависит от:
Габаритные размеры
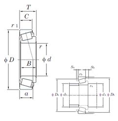
Размеры и геометрические характеристики
Защита
Конструкция и исполнение
Подшипник роликовый радиально-упорный 33008JR (KOYO)
Подшипник роликовый радиально-упорный 33008 (CYSD, ISO, NIS, NTN)
Подшипник роликовый радиально-упорный 33008 A (CX)
Подшипник роликовый радиально-упорный 33008F (Fersa)
Конический роликоподшипник 40KB681A1 (NACHI)
Конический роликоподшипник 4T-33008 (NTN)