Главная > Подшипники> Роликовые > Радиально-упорные>323028

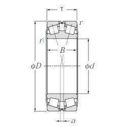
323028 — Конический роликоподшипник, импортное производство по ISO стандарту, размер 140x210x53 основное исполнение.
Производитель: NTN.
Цена по запросу
Цена на подшипник зависит от:
Габаритные размеры
Размеры и геометрические характеристики
Нагрузка и ресурс
Защита
Коэффициенты для расчета
Присоединительные размеры
Конструкция и исполнение
Подшипник роликовый сферический 23028 (FBJ, ISB, SKF)
Подшипник роликовый радиальный двухрядный с короткими цилиндрическими роликами с коническим отверстием внутреннего кольца с бортами на внутреннем кольце 3182128
Подшипник роликовый радиальный двухрядный с короткими цилиндрическими роликами с цилиндрическим отверстием внутреннего кольца с бортами на внутреннем кольце 3282128
Подшипник роликовый сферический 23028 CC.C3W33 (SKF)
Подшипник роликовый сферический 23028 CCK.C3W33 (SKF)