Главная > Подшипники> Роликовые > Упорные>294/710

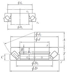
294/710 — Подшипник роликовый упорно-радиальный, импортное производство по ISO стандарту, размер 710x1220x308 номер основного исполнения .
Производитель: KOYO.
Цена по запросу
Цена на подшипник зависит от:
Габаритные размеры
Размеры и геометрические характеристики
Нагрузка и ресурс
Защита
Присоединительные размеры
Конструкция и исполнение
Подшипник упорно-радиальный роликовый сферический одинарный 90394/710 X
Подшипник роликовый упорно-радиальный 294/710 M (CX, ISB, ISO)
Осевой радиально-упорный роликоподшипник 294/710-E1-MB (INA)
Подшипник роликовый упорно-радиальный сферический 294/710-E-MB (FAG)