Главная > Подшипники> Роликовые > Упорные>294/710-E1-MB

294/710-E1-MB — Осевой радиально-упорный роликоподшипник, импортное производство по ISO стандарту, размер 710x1220x308 номер основного исполнения .
Производитель: INA.
MB = Обработанный латунный сепаратор с внутренним кольцом.
Цена по запросу
Цена на подшипник зависит от:
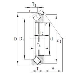
Габаритные размеры
Размеры и геометрические характеристики
Нагрузка и ресурс
Защита
Присоединительные размеры
Конструкция и исполнение
Другие размеры
Подшипник упорно-радиальный роликовый сферический одинарный 90394/710 X
Подшипник роликовый упорно-радиальный 294/710 M (CX, ISB, ISO)
Подшипник роликовый упорно-радиальный 294/710 (KOYO)
Подшипник роликовый упорно-радиальный сферический 294/710-E-MB (FAG)