Главная > Подшипники> Роликовые > Упорные>294/710-E-MB

294/710-E-MB — Подшипник роликовый упорно-радиальный сферический, импортное производство по ISO стандарту, размер 710x1220x308 номер основного исполнения .
Производитель: FAG.
E = Увеличенная грузоподъемность. М = Механически обработанный латунный сепаратор, центрируемый по роликам.
Цена по запросу
Цена на подшипник зависит от:
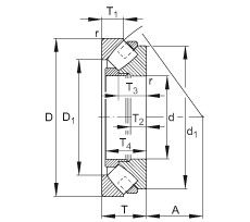
Габаритные размеры
Размеры и геометрические характеристики
Нагрузка и ресурс
Присоединительные размеры
Прочие характеристики
Подшипник упорно-радиальный роликовый сферический одинарный 90394/710 X
Подшипник роликовый упорно-радиальный 294/710 M (CX, ISB, ISO)
Подшипник роликовый упорно-радиальный 294/710 (KOYO)
Осевой радиально-упорный роликоподшипник 294/710-E1-MB (INA)