Главная > Подшипники> Роликовые > Радиальные сферические>23976-K-MB + H3976-HG

23976-K-MB + H3976-HG — Подшипник роликовый самоустанавливающийся, импортное производство по ISO стандарту, размер 360x520x106 номер основного исполнения 23976.
Производитель: FAG.
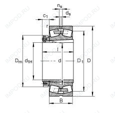
K = коническое отверстие, конус 1:12. М = Механически обработанный латунный сепаратор, центрируемый по роликам.
Цена от:155 497 р.
Цена на подшипник зависит от:
| Обозначение | Модификация |
|---|---|
| 23976 | Основное конструктивное исполнение. |
| 23976E | Е = Увеличенная грузоподъемность. |
| 23976R | R = Наружное кольцо с фланцем . |
| 23976K | К = Коническая посадка, конусность 1:12. |
| 23976EK | К = Коническая посадка, конусность 1:12. |
| 23976RK | К = Коническая посадка, конусность 1:12. |
| 23976W33 | W3 = Смазочный паз и три отверстия в наружном кольце подшипника. |
| 23976-MB | MB = Обработанный латунный сепаратор с внутренним кольцом. |
| 23976YMB | MB = Обработанный латунный сепаратор с внутренним кольцом. |
| 23976CAE4 | CA = цельный латунный сепаратор с механической обработкой, двойной зуб, удерживающие фланцы на внутреннем кольце и направляющем кольце, центрированные на внутреннем кольце. Е = увеличенная грузоподъемность. |
| 23976CAKE4 | CA = Цельный обработанный латунный сепаратор, двойной зуб, удерживающие фланцы на внутреннем кольце и направляющем кольце, центрированные на внутреннем кольце. |
| 23976 KW33 | K = коническое отверстие, конус 1:12. W33 = Смазочный паз и три отверстия в наружном кольце подшипника. |
| 23976-K-MB | K = коническое отверстие, конус 1:12. М = Механически обработанный латунный сепаратор, центрируемый по роликам. |
| 23976 CW33 | W3 = Смазочный паз и три отверстия в наружном кольце подшипника. |
| 23976 KCW33 | W3 = Смазочный паз и три отверстия в наружном кольце подшипника. |
| 23976CC/W33 | Радиальный сферический роликоподшипник исполнения С с улучшенным ведением роликов и, благодаря этому, сниженным потерям на трение. |
| TL23976CAE4 | CA = цельный латунный сепаратор с механической обработкой, двойной зуб, удерживающие фланцы на внутреннем кольце и направляющем кольце, центрированные на внутреннем кольце. Е = увеличенная грузоподъемность. |
| TL23976CAKE4 | CA = Цельный обработанный латунный сепаратор, двойной зуб, удерживающие фланцы на внутреннем кольце и направляющем кольце, центрированные на внутреннем кольце. |
| 23976-MB-W33 | MB = Обработанный латунный сепаратор с внутренним кольцом. KR = коническое отверстие. W33 = Смазочный паз и три отверстия в наружном кольце подшипника. |
| 23976 CCK/W33 | CC = сферический роликоподшипник конструкции C, с улучшенным управлением роликом. K = коническое отверстие, конус 1:12. W33 = Смазочный паз и три отверстия в наружном кольце подшипника. |
| 23976-K-MB-W33 | MB = Обработанный латунный сепаратор с внутренним кольцом. KR = коническое отверстие. W33 = Смазочный паз и три отверстия в наружном кольце подшипника. |
| 23976-K-MB+H3976 | K = коническое отверстие, конус 1:12. М = Механически обработанный латунный сепаратор, центрируемый по роликам. |
| 23976 KCW33+H3976 | W3 = Смазочный паз и три отверстия в наружном кольце подшипника. |
| 23976 KCW33+AH3976 | W3 = Смазочный паз и три отверстия в наружном кольце подшипника. |
| 23976 EKW33+OH3976 | K = коническое отверстие, конус 1:12. W33 = Смазочный паз и три отверстия в наружном кольце подшипника. |
| 23976-K-MB+AH3976G | K = коническое отверстие, конус 1:12. М = Механически обработанный латунный сепаратор, центрируемый по роликам. |
| 23976-K-MB + AH3976G-H | K = коническое отверстие, конус 1:12. М = Механически обработанный латунный сепаратор, центрируемый по роликам. |
Габаритные размеры
Размеры и геометрические характеристики
Нагрузка и ресурс
Коэффициенты для расчета
Присоединительные размеры
Конструкция и исполнение
Прочие характеристики