Главная > Подшипники> Роликовые > Радиальные сферические>23138-E1A-K-M + AH3138G

23138-E1A-K-M + AH3138G — Подшипник роликовый самоустанавливающийся, импортное производство по ISO стандарту, размер 180x320x104 номер основного исполнения 23138.
Производитель: FAG.
K = коническое отверстие, конус 1:12. MA = обработанная латунная клетка с наружным кольцом.
Цена от:26 534 р.
Цена на подшипник зависит от:
| Обозначение | Модификация |
|---|---|
| 23138 | Основное конструктивное исполнение. |
| 23138R | R = Наружное кольцо с фланцем . |
| 23138E | Е = Увеличенная грузоподъемность. |
| 23138B | B = однокомпонентное ребристое внутреннее кольцо. |
| 23138BK | BK = K = коническое отверстие, конус 1:12. D1 = Смазочное отверстие и три отверстия в наружном кольце подшипника. |
| 23138MB | MB = Обработанный латунный сепаратор с внутренним кольцом. |
| 23138EK | К = Коническая посадка, конусность 1:12. |
| 23138YM | 8Y = Упорный шарикоподшипник двойного направления. |
| 23138RK | К = Коническая посадка, конусность 1:12. |
| 23138 K | К = Коническая посадка, конусность 1:12. |
| 23138CE4 | С = Необслуживаемые концы стержней, внутренняя резьба. |
| 23138RHA | R = Наружное кольцо с фланцем . |
| 23138MBK | BK = K = коническое отверстие, конус 1:12. D1 = Смазочное отверстие и три отверстия в наружном кольце подшипника. |
| 23138A2X | A = внутренняя модификация конструкции. |
| 23138W33 | W3 = Смазочный паз и три отверстия в наружном кольце подшипника. |
| 23138RHAK | К = Коническая посадка, конусность 1:12. |
| 23138A2XK | К = Коническая посадка, конусность 1:12. |
| 23138 CKE4 | К = Коническая посадка, конусность 1:12. |
| 23138 CW33 | W3 = Смазочный паз и три отверстия в наружном кольце подшипника. |
| 23138EMW33 | E = Увеличенная грузоподъемность. М = Механически обработанный латунный сепаратор, центрируемый по роликам. W33 = Смазочный паз и три отверстия в наружном кольце подшипника. |
| 23138 KW33 | K = коническое отверстие, конус 1:12. W33 = Смазочный паз и три отверстия в наружном кольце подшипника. |
| TL23138CAE4 | CA = цельный латунный сепаратор с механической обработкой, двойной зуб, удерживающие фланцы на внутреннем кольце и направляющем кольце, центрированные на внутреннем кольце. Е = увеличенная грузоподъемность. |
| 23138EMKW33 | K = коническое отверстие, конус 1:12. W33 = Смазочный паз и три отверстия в наружном кольце подшипника. |
| 23138-E1A-M | E1 = Проектирование повышенной емкости. |
| 23138 KCW33 | W3 = Смазочный паз и три отверстия в наружном кольце подшипника. |
| 23138-MB-W33 | MB = Обработанный латунный сепаратор с внутренним кольцом. KR = коническое отверстие. W33 = Смазочный паз и три отверстия в наружном кольце подшипника. |
| 23138 CC.W33 | Радиальный сферический роликоподшипник исполнения С с улучшенным ведением роликов и, благодаря этому, сниженным потерям на трение. |
| TL23138CAKE4 | CA = Цельный обработанный латунный сепаратор, двойной зуб, удерживающие фланцы на внутреннем кольце и направляющем кольце, центрированные на внутреннем кольце. |
| 23138 CCK.W33 | CC = сферический роликоподшипник конструкции C, с улучшенным управлением роликом. K = коническое отверстие, конус 1:12. W33 = Смазочный паз и три отверстия в наружном кольце подшипника. |
| 23138 E1A.K.M | K = коническое отверстие, конус 1:12. М = Механически обработанный латунный сепаратор, центрируемый по роликам. |
| 23138-E1-TVPB | TVP = сегментный сепаратор, изготовленный из армированного стекловолокном полиамида PA66 направленная по роликам. |
| 23138 E1A.M.C3 | M = Цельный латунный сепаратор, с шариковой направляющей. C3 = Радиальный внутренний зазор подшипника больше, чем обычно. |
| 23138-K-MB-W33 | MB = Обработанный латунный сепаратор с внутренним кольцом. KR = коническое отверстие. W33 = Смазочный паз и три отверстия в наружном кольце подшипника. |
| 23138 CC.C3W33 | C3W33 = C3 = Радиальный внутренний зазор больше, чем обычно. W33 = Смазочная канавка и три отверстия в наружном кольце подшипника. |
| 23138 CCK.C3W33 | CC = сферический роликоподшипник конструкции C, с улучшенным управлением роликом. K = коническое отверстие, конус 1:12. C3 = Внутренний зазор больше, чем обычно. W33 = Смазочный паз и три отверстия в наружном кольце подшипника. |
| 23138-E1-K-TVPB | TVP = сегментный сепаратор, изготовленный из армированного стекловолокном полиамида PA66 направленная по роликам. |
| 23138 E1A.K.M.C3 | M = Цельный латунный сепаратор, с шариковой направляющей. C3 = Радиальный внутренний зазор подшипника больше, чем обычно. |
| 23138-2CS5/VT143 | 2CS = увеличенная грузоподьемность и Резиновые уплотнения с каждой стороны подшипника. |
| 23138 KCW33+H3138 | W3 = Смазочный паз и три отверстия в наружном кольце подшипника. |
| 23138 EKW33+H3138 | K = коническое отверстие, конус 1:12. W33 = Смазочный паз и три отверстия в наружном кольце подшипника. |
| 23138-2CS5K/VT143 | 2CS = увеличенная грузоподьемность и Резиновые уплотнения с каждой стороны подшипника. |
| 23138 KCW33+AH3138 | W3 = Смазочный паз и три отверстия в наружном кольце подшипника. |
| 23138 EKW33+AH3138 | K = коническое отверстие, конус 1:12. W33 = Смазочный паз и три отверстия в наружном кольце подшипника. |
| 23138-K-MB-W33+H3138 | MB = Обработанный латунный сепаратор с внутренним кольцом. KR = коническое отверстие. W33 = Смазочный паз и три отверстия в наружном кольце подшипника. |
| 23138-E1A-K-M + H3138 | K = коническое отверстие, конус 1:12. М = Механически обработанный латунный сепаратор, центрируемый по роликам. |
| 23138-K-MB-W33+AH3138 | MB = Обработанный латунный сепаратор с внутренним кольцом. KR = коническое отверстие. W33 = Смазочный паз и три отверстия в наружном кольце подшипника. |
| 23138-E1-K-TVPB + H3138 | TVP = сегментный сепаратор, изготовленный из армированного стекловолокном полиамида PA66 направленная по роликам. |
| 23138-E1-K-TVPB + AH3138G | TVP = сегментный сепаратор, изготовленный из армированного стекловолокном полиамида PA66 направленная по роликам. |
| 23138-2CS5K/VT143 + H 3138 | 2CS = увеличенная грузоподьемность и Резиновые уплотнения с каждой стороны подшипника. |
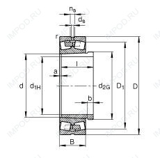
Габаритные размеры
Размеры и геометрические характеристики
Нагрузка и ресурс
Коэффициенты для расчета
Присоединительные размеры
Конструкция и исполнение
Прочие характеристики
Подшипник шариковый радиально-упорный сдвоенный 236236К
Подшипник шариковый радиально-упорный сдвоенный, наружный кольца обращены друг к другу широкими торцами 246236
Подшипник шариковый радиально-упорный сдвоенный 336236К
Подшипник шариковый радиально-упорный сдвоенный 346236
Подшипник шариковый радиально-упорный сдвоенный 436236К
Подшипник шариковый радиально-упорный сдвоенный 446236