Главная > Подшипники> Шариковые> Радиальные сферические>1317-K-M-C3

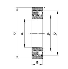
1317-K-M-C3 — Подшипник шариковый двухрядный самоустанавливающийся, импортное производство по ISO стандарту, размер 85x180x41 номер основного исполнения 1317.
Производитель: FAG.
M = Цельный латунный сепаратор, с шариковой направляющей. C3 = Радиальный внутренний зазор подшипника больше, чем обычно.
Цена от:10 159 р.
Цена на подшипник зависит от:
| Обозначение | Модификация |
|---|---|
| 1317K | К = Коническая посадка, конусность 1:12. |
| 1317S | S = смазочный паз и три отверстия в наружном кольце подшипника. |
| 1317-M | M = массивный латунный сепаратор. |
| 1317SK | S = смазочная канавка и три отверстия в наружном кольце подшипника. K = коническое отверстие, конус 1:12. |
| 1317K+H317 | K = коническое отверстие, конус 1:12. H = высокая, узкая каретка для двухрядного шарикоподшипника и направляющей в сборе. |
| 1317-K-M-C3 + H317 | M = Цельный латунный сепаратор, с шариковой направляющей. C3 = Радиальный внутренний зазор подшипника больше, чем обычно. |
Габаритные размеры
Размеры и геометрические характеристики
Нагрузка и ресурс
Коэффициенты для расчета
Присоединительные размеры
Подшипник шариковый радиальный 6-317
Однорядный цилиндрический роликовый подшипник NJ317 (CRAFT, FAG, FBJ, ISB, ISO)
Подшипник роликовый сферический 20317 (FAG, ISO)
Подшипник роликовый сферический 21317 (ISB, NTN, SKF)
Подшипник роликовый радиальный с короткими цилиндрическими роликами без бортов на наружном кольце 2317 (ГПЗ-4)
Подшипник шариковый однорядный радиально-упорный 7317 B.MP.UA (FAG)