Главная > Подшипники> Шариковые> Радиальные сферические>1317-K-M-C3 + H317

1317-K-M-C3 + H317 — Подшипник шариковый радиально-сферический, импортное производство по ISO стандарту, размер 75x180x41 номер основного исполнения 1317.
Производитель: FAG.
M = Цельный латунный сепаратор, с шариковой направляющей. C3 = Радиальный внутренний зазор подшипника больше, чем обычно.
Цена от:9 930 р.
Цена на подшипник зависит от:
| Обозначение | Модификация |
|---|---|
| 1317K | К = Коническая посадка, конусность 1:12. |
| 1317S | S = смазочный паз и три отверстия в наружном кольце подшипника. |
| 1317-M | M = массивный латунный сепаратор. |
| 1317SK | S = смазочная канавка и три отверстия в наружном кольце подшипника. K = коническое отверстие, конус 1:12. |
| 1317K+H317 | K = коническое отверстие, конус 1:12. H = высокая, узкая каретка для двухрядного шарикоподшипника и направляющей в сборе. |
| 1317-K-M-C3 | M = Цельный латунный сепаратор, с шариковой направляющей. C3 = Радиальный внутренний зазор подшипника больше, чем обычно. |
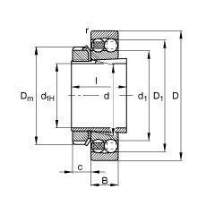
Габаритные размеры
Размеры и геометрические характеристики
Нагрузка и ресурс
Коэффициенты для расчета
Присоединительные размеры
Конструкция и исполнение
Прочие характеристики
Подшипник шариковый радиальный сферический двухрядный с закрепительной втулкой 11315
Подшипник роликовый самоустанавливающийся 21317-E1-K + H317 (FAG)
Подшипник роликовый радиальный самоцентрирующийся 21317 EKW33+H317 (ISB)