Главная > Подшипники> Шариковые> Радиальные сферические>1309K

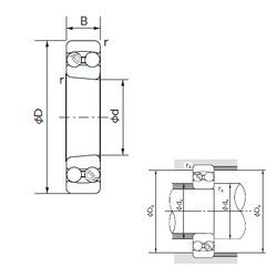
1309K — Подшипник шариковый двухрядный самоустанавливающийся, импортное производство по ISO стандарту, размер 45x100x25 номер основного исполнения 1309.
Производится брендами: CX, ISO, KOYO, NACHI, NIS, NKE, NSK, SNR.
К = Коническая посадка, конусность 1:12.
Цена от:1 772 р.
Цена на подшипник зависит от:
| Обозначение | Модификация |
|---|---|
| 1309 | Основное конструктивное исполнение. |
| 1309S | S = смазочный паз и три отверстия в наружном кольце подшипника. |
| 1309SK | S = смазочная канавка и три отверстия в наружном кольце подшипника. K = коническое отверстие, конус 1:12. |
| 1309ETN9 | E = Оптимизированный внутренний дизайн. TN9 = литая защелкивающаяся клетка из полиамида 6,6, армированного стекловолокном, с шариковой центрировкой. |
| 1309-TVH | TV = Твердая клетка из армированного стекловолокном полиамида, шариковая езда. |
| 1309 TN9 | TN = Полиамидная клетка. |
| 1309EKTN9 | E = Увеличенная грузоподъемность. K = коническое отверстие, конус 1:12. TN9 = литая защелкивающаяся клетка из полиамида 6,6, армированного стекловолокном, с шариковой центрировкой. |
| 1309 KTN9 | K = коническое отверстие, конус 1:12. T = Литая защелкивающаяся сепаратор из армированного стекловолокном полиамида. |
| 1309K+H309 | K = коническое отверстие, конус 1:12. H = высокая, узкая каретка для двухрядного шарикоподшипника и направляющей в сборе. |
| 1309-K-TVH-C3 | C3 = Радиальный внутренний зазор больше нормального. |
| 1309 KTN9+H309 | K = коническое отверстие, конус 1:12. T = Литая защелкивающаяся сепаратор из армированного стекловолокном полиамида. |
| 1309-K-TVH-C3 + H309 | C3 = Радиальный внутренний зазор больше нормального. |
| EC-SC1309LUD2C3PX1/3AU0BH | С1 = Внутренний зазор подшипника меньше С2. |
| Техника | Модель | Агрегат |
|---|---|---|
| Комбайн | КСК-100А-А1 | Аппарат питающий |
| Комбайн | КСК-100А-А1 | Механизм привода адаптеров |
| Платформа-подборщик копнитель | ПК-1.6А | Поворотное дно |
Габаритные размеры
Размеры и геометрические характеристики
Нагрузка и ресурс
Защита
Коэффициенты для расчета
Присоединительные размеры
Конструкция и исполнение
Прочие характеристики
Однорядный цилиндрический роликовый подшипник NU309 (CRAFT, FAG, FBJ, ISB, ISO)
Однорядный цилиндрический роликовый подшипник NJ309 (CRAFT, CYSD, FAG, FBJ, ISB)
Подшипник однорядный шариковый радиальный 6-309 (AST, CRAFT, CX, CYSD, FAG)
Подшипник шариковый радиальный 4-309
Подшипник шариковый радиально-упорный 05-309 (ГПЗ-4)
Подшипник роликовый сферический 20309 (FAG, ISO, SIGMA)