Главная > Подшипники> Шариковые> Радиальные сферические>1307

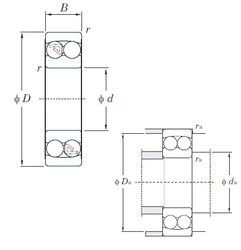
1307 — Подшипник шариковый двухрядный самоустанавливающийся, импортное производство по ISO стандарту, размер 35x80x21 основное исполнение.
Производится брендами: CRAFT, CX, ISO, KOYO, NACHI, NIS, NKE, NSK.
Цена от:1 161 р.
Цена на подшипник зависит от:
| Обозначение | Модификация |
|---|---|
| 1307S | S = смазочный паз и три отверстия в наружном кольце подшипника. |
| 1307K | К = Коническая посадка, конусность 1:12. |
| 1307SK | S = смазочная канавка и три отверстия в наружном кольце подшипника. K = коническое отверстие, конус 1:12. |
| 1307G15 | G15 = Формованная литьевая клетка из армированного стекловолокном полиамида 6,6, с вращающимся элементом по центру. |
| 1307 C3 | C3 = Радиальный внутренний зазор больше нормального. |
| 1307ETN9 | E = Оптимизированный внутренний дизайн. TN9 = литая защелкивающаяся клетка из полиамида 6,6, армированного стекловолокном, с шариковой центрировкой. |
| 1307KG15 | G15 = Формованная литьевая клетка из армированного стекловолокном полиамида 6,6, с вращающимся элементом по центру. |
| 1307 TN9 | TN = Полиамидная клетка. |
| 1307 TVH | TV = Твердая клетка из армированного стекловолокном полиамида, шариковая езда. |
| 1307 KTN9 | K = коническое отверстие, конус 1:12. T = Литая защелкивающаяся сепаратор из армированного стекловолокном полиамида. |
| 1307EKTN9 | E = Увеличенная грузоподъемность. K = коническое отверстие, конус 1:12. TN9 = литая защелкивающаяся клетка из полиамида 6,6, армированного стекловолокном, с шариковой центрировкой. |
| 1307K+H307 | K = коническое отверстие, конус 1:12. H = высокая, узкая каретка для двухрядного шарикоподшипника и направляющей в сборе. |
| 1307 TVH.C3 | C3 = Радиальный внутренний зазор больше нормального. |
| 1307 (1307) | |
| 1307 ETN9.C3 | E = набор усиленных шаров. TN9 = литая защелкивающаяся клетка из упрочненного стекловолокном полиамида 66, сфокусированная на шарике. C3 = Радиальный внутренний зазор больше, чем обычно. |
| 1307 EKTN9.C3 | E = Увеличенная грузоподъемность. K = коническое отверстие, конус 1:12. TN9 = литая защелкивающаяся клетка из полиамида 6,6, армированного стекловолокном, с шариковой центрировкой. |
| 1307 K.TVH.C3 | C3 = Радиальный внутренний зазор больше нормального. |
| 1307 KTN9+H307 | K = коническое отверстие, конус 1:12. T = Литая защелкивающаяся сепаратор из армированного стекловолокном полиамида. |
| 1307-K-TVH-C3 + H307 | C3 = Радиальный внутренний зазор больше нормального. |
| Техника | Модель | Агрегат |
|---|---|---|
| Трактор | Т-16 самоходное шасси | Система рулевого управления |
| Трактор | Т-16 | Система рулевого управления |
Габаритные размеры
Размеры и геометрические характеристики
Нагрузка и ресурс
Защита
Коэффициенты для расчета
Присоединительные размеры
Конструкция и исполнение
Прочие характеристики
Однорядный цилиндрический роликовый подшипник NU307 (CRAFT, CYSD, FAG, FBJ, ISB)
Однорядный цилиндрический роликовый подшипник NJ307 (CRAFT, FAG, FBJ, ISB, ISO)
Подшипник шариковый радиальный 6-307
Подшипник шариковый радиальный 4-307
Подшипник роликовый сферический 20307 (FAG, ISO, SIGMA)
Подшипник роликовый сферический 21307 (ISB, SKF)