Главная > Подшипники> Шариковые> Упорные>ZKLN1747-2Z

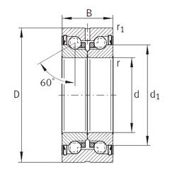
ZKLN1747-2Z — Шариковый радиально-упорный подшипник двойного направления, импортное производство по ISO стандарту, размер 17x47x25 номер основного исполнения .
Производитель: INA.
2Z = Металлические шайбы с каждой стороны подшипника.
Цена от:16 734 р.
Цена на подшипник зависит от:
Габаритные размеры
Размеры и геометрические характеристики
Нагрузка и ресурс
Защита
Конструкция и исполнение
Однорядный конический роликовый подшипник AB12160S01 (SNR)
Прецизионный двойной упорно-радиальный шарикоподшипник для винтовых передач BEAS 017047-2RS (SKF)
Прецизионный двойной упорно-радиальный шарикоподшипник для винтовых передач BEAS 017047-2RZ (SKF)
Шариковый радиально-упорный подшипник двойного направления ZKLN1747-2RS-PE (INA)
Шариковый радиально-упорный подшипник двойного направления ZKLN1747-2RS (INA)