Главная > Подшипники> Шариковые> Упорные>BEAS 017047-2RS

BEAS 017047-2RS — Прецизионный двойной упорно-радиальный шарикоподшипник для винтовых передач, импортное производство по ISO стандарту, размер 17x47x25 номер основного исполнения .
Производитель: SKF.
Резиновые уплотнения с каждой стороны подшипника.
Цена по запросу
Цена на подшипник зависит от:
Габаритные размеры
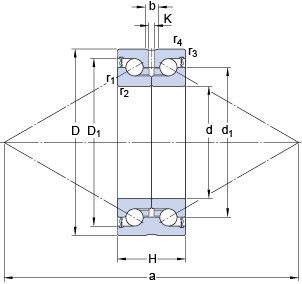
Размеры и геометрические характеристики
Нагрузка и ресурс
Присоединительные размеры
Прочие характеристики
Однорядный конический роликовый подшипник AB12160S01 (SNR)
Прецизионный двойной упорно-радиальный шарикоподшипник для винтовых передач BEAS 017047-2RZ (SKF)
Шариковый радиально-упорный подшипник двойного направления ZKLN1747-2RS-PE (INA)
Шариковый радиально-упорный подшипник двойного направления ZKLN1747-2Z (INA)
Шариковый радиально-упорный подшипник двойного направления ZKLN1747-2RS (INA)