Главная > Подшипники> Шариковые> Упорные>ZKLN0832-2RS

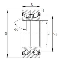
ZKLN0832-2RS — Осевой радиально-упорный шарикоподшипник, импортное производство по ISO стандарту, размер 8x32x20 номер основного исполнения .
Производитель: INA.
Резиновые уплотнения с каждой стороны подшипника.
Цена от:5 473 р.
Цена на подшипник зависит от:
Габаритные размеры
Размеры и геометрические характеристики
Нагрузка и ресурс
Защита
Конструкция и исполнение
Прецизионный двойной упорно-радиальный шарикоподшипник для винтовых передач BEAS 008032-2RS (SKF)
Прецизионный двойной упорно-радиальный шарикоподшипник для винтовых передач BEAS 008032-2RZ (SKF)
Шариковый радиально-упорный подшипник двойного направления ZKLN0832-2Z (INA)
Радиально-упорный шарикоподшипник ZKLFA0850-2RS (INA)
Подшипник шариковый двухрядный радиально-упорный ZKLFA0850-2Z (INA)