Главная > Подшипники> Шариковые> Упорные>BEAS 008032-2RS

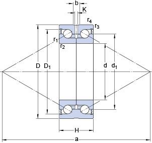
BEAS 008032-2RS — Прецизионный двойной упорно-радиальный шарикоподшипник для винтовых передач, импортное производство по ISO стандарту, размер 8x32x20 номер основного исполнения .
Производитель: SKF.
Резиновые уплотнения с каждой стороны подшипника.
Цена по запросу
Цена на подшипник зависит от:
Габаритные размеры
Размеры и геометрические характеристики
Нагрузка и ресурс
Присоединительные размеры
Прочие характеристики
Прецизионный двойной упорно-радиальный шарикоподшипник для винтовых передач BEAS 008032-2RZ (SKF)
Осевой радиально-упорный шарикоподшипник ZKLN0832-2RS (INA)
Шариковый радиально-упорный подшипник двойного направления ZKLN0832-2Z (INA)
Радиально-упорный шарикоподшипник ZKLFA0850-2RS (INA)
Подшипник шариковый двухрядный радиально-упорный ZKLFA0850-2Z (INA)