Главная > Подшипники> Шариковые> Упорные>ZKLF2575-2RS-PE

ZKLF2575-2RS-PE — Шариковый радиально-упорный подшипник двойного направления, импортное производство по ISO стандарту, размер 25x75x28 номер основного исполнения ZKLF2575.
Производитель: INA.
Резиновые уплотнения с каждой стороны подшипника.
Цена от:7 878 р.
Цена на подшипник зависит от:
| Обозначение | Модификация |
|---|---|
| ZKLF2575-2Z | 2Z = Металлические шайбы с каждой стороны подшипника. |
| ZKLF2575-2RS | Резиновые уплотнения с каждой стороны подшипника. |
| ZKLF2575-2RS-2AP | Резиновые уплотнения с каждой стороны подшипника. |
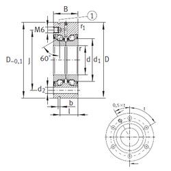
Габаритные размеры
Размеры и геометрические характеристики
Нагрузка и ресурс
Защита
Присоединительные размеры
Конструкция и исполнение
Другие размеры
Подшипник шариковый радиальный 260705 К1 (ГПЗ-20)
Подшипник шариковый радиальный 260705 К (ГПЗ-20)
Шариковый радиально-упорный подшипник двойного направления BEAM 25/75/Z SQP60 (SNFA)
Прецизионный двойной упорно-радиальный шарикоподшипник для винтовых передач BEAM 025075-2RZ/PE (SKF)
Прецизионный двойной упорно-радиальный шарикоподшипник для винтовых передач BEAM 025075-2RS/PE (SKF)
Прецизионный двойной упорно-радиальный шарикоподшипник для винтовых передач BEAM 025075-2RS (SKF)