Главная > Подшипники> Шариковые> Упорные>BEAM 025075-2RS

BEAM 025075-2RS — Прецизионный двойной упорно-радиальный шарикоподшипник для винтовых передач, импортное производство по ISO стандарту, размер 25x75x28 номер основного исполнения .
Производитель: SKF.
Резиновые уплотнения с каждой стороны подшипника.
Цена по запросу
Цена на подшипник зависит от:
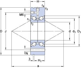
Габаритные размеры
Размеры и геометрические характеристики
Нагрузка и ресурс
Присоединительные размеры
Конструкция и исполнение
Прочие характеристики
Подшипник шариковый радиальный 260705 К1 (ГПЗ-20)
Подшипник шариковый радиальный 260705 К (ГПЗ-20)
Шариковый радиально-упорный подшипник двойного направления BEAM 25/75/Z SQP60 (SNFA)
Прецизионный двойной упорно-радиальный шарикоподшипник для винтовых передач BEAM 025075-2RZ/PE (SKF)
Прецизионный двойной упорно-радиальный шарикоподшипник для винтовых передач BEAM 025075-2RS/PE (SKF)
Прецизионный двойной упорно-радиальный шарикоподшипник для винтовых передач BEAM 025075-2RZ (SKF)