Главная > Подшипники> Шариковые> Упорные>ZKLF2068-2RS-PE

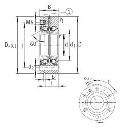
ZKLF2068-2RS-PE — Шариковый радиально-упорный подшипник двойного направления, импортное производство по ISO стандарту, размер 20x68x28 номер основного исполнения .
Производитель: INA.
Резиновые уплотнения с каждой стороны подшипника.
Цена от:7 041 р.
Цена на подшипник зависит от:
Габаритные размеры
Размеры и геометрические характеристики
Нагрузка и ресурс
Защита
Присоединительные размеры
Конструкция и исполнение
Другие размеры
Прецизионный двойной упорно-радиальный шарикоподшипник для винтовых передач BEAM 020068-2RS/PE (SKF)
Прецизионный двойной упорно-радиальный шарикоподшипник для винтовых передач BEAM 020068-2RZ/PE (SKF)
Прецизионный двойной упорно-радиальный шарикоподшипник для винтовых передач BEAM 020068-2RZ (SKF)
Прецизионный двойной упорно-радиальный шарикоподшипник для винтовых передач BEAM 020068-2RS (SKF)
Шариковый радиально-упорный подшипник двойного направления BEAM 20/68/Z SQP60 (SNFA)
Шариковый радиально-упорный подшипник двойного направления BEAM 20/68/C SQP60 (SNFA)