Главная > Подшипники> Шариковые> Упорные>BEAM 020068-2RZ/PE

BEAM 020068-2RZ/PE — Прецизионный двойной упорно-радиальный шарикоподшипник для винтовых передач, импортное производство по ISO стандарту, размер 20x68x28 номер основного исполнения .
Производитель: SKF.
2RZ = Шариковый подшипник, с уплотнением низкого трения на обеих сторонах. Уплотнение состоит из шайбы тонколистовой стали с вулканизированной резиной.
Цена по запросу
Цена на подшипник зависит от:
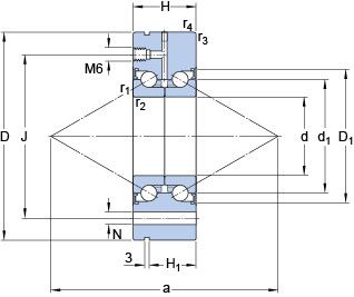
Габаритные размеры
Размеры и геометрические характеристики
Нагрузка и ресурс
Присоединительные размеры
Конструкция и исполнение
Прочие характеристики
Прецизионный двойной упорно-радиальный шарикоподшипник для винтовых передач BEAM 020068-2RS/PE (SKF)
Прецизионный двойной упорно-радиальный шарикоподшипник для винтовых передач BEAM 020068-2RZ (SKF)
Прецизионный двойной упорно-радиальный шарикоподшипник для винтовых передач BEAM 020068-2RS (SKF)
Шариковый радиально-упорный подшипник двойного направления BEAM 20/68/Z SQP60 (SNFA)
Шариковый радиально-упорный подшипник двойного направления BEAM 20/68/C SQP60 (SNFA)
Шариковый радиально-упорный подшипник двойного направления BEAM 20/68/Z 7P60 (SNFA)