Главная > Подшипники> Шариковые> Упорные>ZK.22.1000.100-1SN

ZK.22.1000.100-1SN — Подшипник шариковый опорно-поворотный, импортное производство по ISO стандарту, размер 830x1000x82 номер основного исполнения .
Производитель: ISB.
S = смазочный паз и три отверстия в наружном кольце подшипника.
Цена по запросу
Цена на подшипник зависит от:
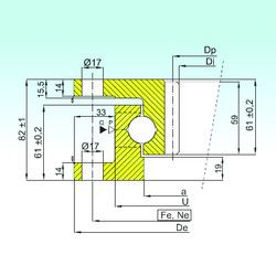
Габаритные размеры
Размеры и геометрические характеристики
Защита
Присоединительные размеры
Конструкция и исполнение
Другие размеры
Подшипник шариковый опорно-поворотный NK.22.1000.100-1PPN (ISB)
Подшипник шариковый опорно-поворотный NK.22.1000.100-1N (ISB)
Подшипник шариковый опорно-поворотный ZK.22.1000.100-1SPPN (ISB)