Главная > Подшипники> Шариковые> Упорные>NK.22.1000.100-1PPN

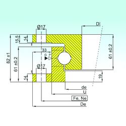
NK.22.1000.100-1PPN — Подшипник шариковый опорно-поворотный, импортное производство по ISO стандарту, размер 830x1000x82 номер основного исполнения .
Производитель: ISB.
Игольчатый роликоподшипник.
P = Литой сепаратор из стеклонаполненного полиамида 6,6, центрируемый по телам качения.
Цена по запросу
Цена на подшипник зависит от:
Габаритные размеры
Размеры и геометрические характеристики
Защита
Присоединительные размеры
Конструкция и исполнение
Другие размеры
Подшипник шариковый опорно-поворотный NK.22.1000.100-1N (ISB)
Подшипник шариковый опорно-поворотный ZK.22.1000.100-1SN (ISB)
Подшипник шариковый опорно-поворотный ZK.22.1000.100-1SPPN (ISB)