Главная > Подшипники> Шариковые> Упорные>ZK.22.0880.100-1SPPN

ZK.22.0880.100-1SPPN — Подшипник шариковый опорно-поворотный, импортное производство по ISO стандарту, размер 708x880x82 номер основного исполнения .
Производитель: ISB.
SP = Специальный класс точности для подшипников станков: точность размеров приблизительно до P5, точность хода приблизительно до P4.
Цена по запросу
Цена на подшипник зависит от:
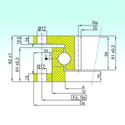
Габаритные размеры
Размеры и геометрические характеристики
Защита
Присоединительные размеры
Конструкция и исполнение
Другие размеры
Подшипник шариковый опорно-поворотный NK.22.0880.100-1PPN (ISB)
Подшипник шариковый опорно-поворотный NK.22.0880.100-1N (ISB)
Подшипник шариковый опорно-поворотный ZK.22.0880.100-1SN (ISB)