Главная > Подшипники> Шариковые> Упорные>NK.22.0880.100-1PPN

NK.22.0880.100-1PPN — Подшипник шариковый опорно-поворотный, импортное производство по ISO стандарту, размер 708x880x82 номер основного исполнения .
Производитель: ISB.
Игольчатый роликоподшипник.
P = Литой сепаратор из стеклонаполненного полиамида 6,6, центрируемый по телам качения.
Цена по запросу
Цена на подшипник зависит от:
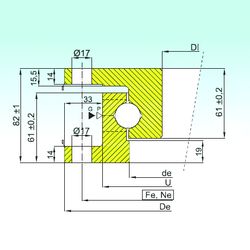
Габаритные размеры
Размеры и геометрические характеристики
Защита
Присоединительные размеры
Конструкция и исполнение
Другие размеры
Подшипник шариковый опорно-поворотный NK.22.0880.100-1N (ISB)
Подшипник шариковый опорно-поворотный ZK.22.0880.100-1SPPN (ISB)
Подшипник шариковый опорно-поворотный ZK.22.0880.100-1SN (ISB)