Главная > Подшипники> Комбинированные>ZARF40100-L-TV

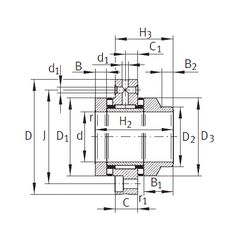
ZARF40100-L-TV — импортное производство по ISO стандарту, размер 40x100x11 номер основного исполнения .
Производитель: INA.
TV = Твердая клетка из армированного стекловолокном полиамида, шариковая езда.
Цена от:22 242 р.
Цена на подшипник зависит от:
Габаритные размеры
Размеры и геометрические характеристики
Нагрузка и ресурс
Защита
Присоединительные размеры
Роликовый игольчатый подшипник ZARF 40100 TN (NBS)
Роликовый игольчатый подшипник ZARF 40100 L TN (NBS)