Главная > Подшипники> Комбинированные>ZARF 40100 TN

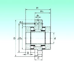
ZARF 40100 TN — Роликовый игольчатый подшипник, импортное производство по ISO стандарту, размер 40x100x11 номер основного исполнения .
Производитель: NBS.
TN = Полиамидная клетка.
Цена от:20 987 р.
Цена на подшипник зависит от:
Габаритные размеры
Размеры и геометрические характеристики
Нагрузка и ресурс
Защита
Присоединительные размеры
Конструкция и исполнение