Главная > Подшипники> Комбинированные>ZARF3080-L-TV

ZARF3080-L-TV — импортное производство по ISO стандарту, размер 30x80x10 номер основного исполнения .
Производитель: INA.
TV = Твердая клетка из армированного стекловолокном полиамида, шариковая езда.
Цена по запросу
Цена на подшипник зависит от:
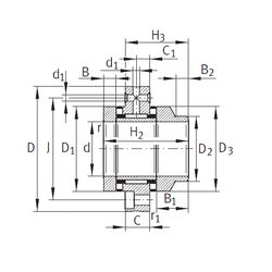
Габаритные размеры
Размеры и геометрические характеристики
Нагрузка и ресурс
Защита
Присоединительные размеры
Роликовый игольчатый подшипник ZARF 3080 TN (NBS)
Роликовый игольчатый подшипник ZARF 3080 L TN (NBS)