Главная > Подшипники> Комбинированные>ZARF 3080 L TN

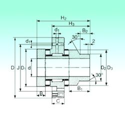
ZARF 3080 L TN — Роликовый игольчатый подшипник, импортное производство по ISO стандарту, размер 30x80x10 номер основного исполнения .
Производитель: NBS.
TN = Полиамидная клетка.
Цена по запросу
Цена на подшипник зависит от:
Габаритные размеры
Размеры и геометрические характеристики
Нагрузка и ресурс
Защита
Присоединительные размеры
Конструкция и исполнение
Роликовый игольчатый подшипник ZARF 3080 TN (NBS)