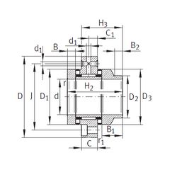
Главная > Подшипники> Комбинированные>ZARF2575-L-TV

ZARF2575-L-TV — импортное производство по ISO стандарту, размер 25x75x10 номер основного исполнения .
Производитель: INA.
TV = Твердая клетка из армированного стекловолокном полиамида, шариковая езда.
Цена от:16 386 р.
Цена на подшипник зависит от:
Габаритные размеры
Размеры и геометрические характеристики
Нагрузка и ресурс
Защита
Присоединительные размеры
Роликовый игольчатый подшипник ZARF 2575 L TN (NBS)