Главная > Подшипники> Комбинированные>ZARF 2575 TN

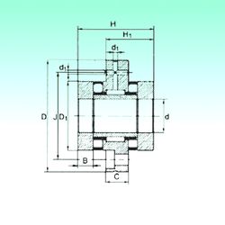
ZARF 2575 TN — импортное производство по ISO стандарту, размер 25x75x10 номер основного исполнения .
Производитель: NBS.
TN = Полиамидная клетка.
Цена по запросу
Цена на подшипник зависит от:
Габаритные размеры
Размеры и геометрические характеристики
Нагрузка и ресурс
Защита
Присоединительные размеры
Конструкция и исполнение
Роликовый игольчатый подшипник ZARF 2575 L TN (NBS)