Главная > Подшипники> Комбинированные>ZARF 60150 TN

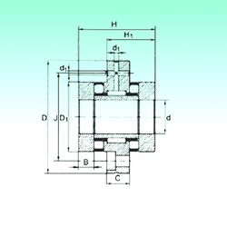
ZARF 60150 TN — Роликовый игольчатый подшипник, импортное производство по ISO стандарту, размер 60x150x17 номер основного исполнения .
Производитель: NBS.
TN = Полиамидная клетка.
Цена от:44 485 р.
Цена на подшипник зависит от:
Габаритные размеры
Размеры и геометрические характеристики
Нагрузка и ресурс
Защита
Присоединительные размеры
Конструкция и исполнение