Главная > Подшипники> Комбинированные>ZARF 60150 L TN

ZARF 60150 L TN — импортное производство по ISO стандарту, размер 60x150x17 номер основного исполнения .
Производитель: NBS.
TN = Полиамидная клетка.
Цена по запросу
Цена на подшипник зависит от:
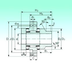
Габаритные размеры
Размеры и геометрические характеристики
Нагрузка и ресурс
Защита
Присоединительные размеры
Конструкция и исполнение
Роликовый игольчатый подшипник ZARF 60150 TN (NBS)