Главная > Подшипники> Комбинированные>ZARF 50115 L TN

ZARF 50115 L TN — Роликовый игольчатый подшипник, импортное производство по ISO стандарту, размер 50x115x11 номер основного исполнения 50115.
Производитель: NBS.
TN = Полиамидная клетка.
Цена от:27 332 р.
Цена на подшипник зависит от:
| Обозначение | Модификация |
|---|---|
| 6-50115 | |
| ZKLF50115-2Z | 2Z = Металлические шайбы с каждой стороны подшипника. |
| ZARF50115-TV | TV = Твердая клетка из армированного стекловолокном полиамида, шариковая езда. |
| ZKLF50115-2RS | Резиновые уплотнения с каждой стороны подшипника. |
| ZARF 50115 TN | TN = Полиамидная клетка. |
| ZARF50115-L-TV | TV = Твердая клетка из армированного стекловолокном полиамида, шариковая езда. |
| ZKLF50115-2RS-PE | Резиновые уплотнения с каждой стороны подшипника. |
| ZKLF50115-2RS-2AP | Резиновые уплотнения с каждой стороны подшипника. |
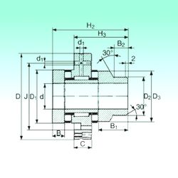
Габаритные размеры
Размеры и геометрические характеристики
Нагрузка и ресурс
Защита
Присоединительные размеры
Конструкция и исполнение