Главная > Подшипники> Шариковые> Радиальные>6-50115

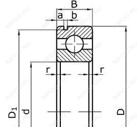
6-50115 — Подшипник шариковый радиальный однорядный с канавкой на наружном кольце, импортное производство по ISO стандарту, размер 75x115x20 номер основного исполнения 50115.
Цена по запросу
Цена на подшипник зависит от:
| Обозначение | Модификация |
|---|---|
| ZKLF50115-2Z | 2Z = Металлические шайбы с каждой стороны подшипника. |
| ZARF50115-TV | TV = Твердая клетка из армированного стекловолокном полиамида, шариковая езда. |
| ZKLF50115-2RS | Резиновые уплотнения с каждой стороны подшипника. |
| ZARF 50115 TN | TN = Полиамидная клетка. |
| ZARF50115-L-TV | TV = Твердая клетка из армированного стекловолокном полиамида, шариковая езда. |
| ZARF 50115 L TN | TN = Полиамидная клетка. |
| ZKLF50115-2RS-PE | Резиновые уплотнения с каждой стороны подшипника. |
| ZKLF50115-2RS-2AP | Резиновые уплотнения с каждой стороны подшипника. |
Габаритные размеры
Размеры и геометрические характеристики
Однорядный цилиндрический роликовый подшипник NU1015 (CX, CYSD, FBJ, ISB, ISO)
Подшипник шариковый радиально-упорный 7015 (CYSD, KOYO, NACHI, NTN, SKF)
Подшипник роликовый радиально-упорный конический однорядный 2007115
Подшипник шариковый радиальный 8115 (ГПЗ-4)