Главная > Подшипники> Шариковые> Радиальные>YAE35RR

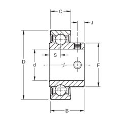
YAE35RR — Радиальный шарикоподшипник, импортное производство по ISO стандарту, размер 35x72x36 номер основного исполнения .
Производитель: TIMKEN.
R = Наружное кольцо с фланцем .
Цена по запросу
Цена на подшипник зависит от:
Габаритные размеры
Размеры и геометрические характеристики
Нагрузка и ресурс
Защита
Присоединительные размеры
Конструкция и исполнение
Другие размеры
Радиальный шарикоподшипник GYAE35RR (TIMKEN)
Радиальный шарикоподшипник GYAE35RRB (TIMKEN)
Радиальный шарикоподшипник YAE35RRB (TIMKEN)
Роликовый игольчатый подшипник NA3035 (KOYO, TIMKEN)