Главная > Подшипники> Роликовые > Игольчатые>NA3035

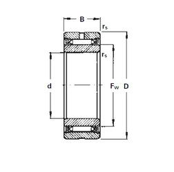
NA3035 — Роликовый игольчатый подшипник, импортное производство по ISO стандарту, размер 35x72x36 основное исполнение.
Производится брендами: KOYO, TIMKEN.
Игольчатый роликоподшипник с размерами по ISO 15.
Цена по запросу
Цена на подшипник зависит от:
Габаритные размеры
Размеры и геометрические характеристики
Нагрузка и ресурс
Защита
Присоединительные размеры
Конструкция и исполнение
Радиальный шарикоподшипник GYAE35RR (TIMKEN)
Радиальный шарикоподшипник GYAE35RRB (TIMKEN)
Радиальный шарикоподшипник YAE35RRB (TIMKEN)
Радиальный шарикоподшипник YAE35RR (TIMKEN)