Главная > Подшипники>XLRJ10

XLRJ10 — Цилиндрический роликоподшипник, импортное производство по ISO стандарту основное исполнение.
Производитель: RHP.
J = Сепаратор стальной штампованный незакалённый.
Цена по запросу
Цена на подшипник зависит от:
| Обозначение | Модификация |
|---|---|
| XLRJ10.1/2 | J = Сепаратор стальной штампованный незакалённый. |
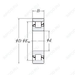
Габаритные размеры
Нагрузка и ресурс