Главная > Подшипники>XLRJ10.1/2

XLRJ10.1/2 — Цилиндрический роликоподшипник, импортное производство по ISO стандарту номер основного исполнения XLRJ10.
Производитель: RHP.
J = Сепаратор стальной штампованный незакалённый.
Цена по запросу
Цена на подшипник зависит от:
| Обозначение | Модификация |
|---|---|
| XLRJ10 | Основное конструктивное исполнение. |
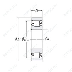
Габаритные размеры
Нагрузка и ресурс