Главная > Подшипники> Шариковые> Радиальные>WF682ZZ

WF682ZZ — Радиальный шарикоподшипник, импортное производство по ISO стандарту, размер 2x5x2 номер основного исполнения 682.
Производитель: KOYO.
Радиальный шарикоподшипник из нержавеющей стали с упорным бортом на наружном кольце.
2Z = Металлические шайбы с каждой стороны подшипника.
Цена по запросу
Цена на подшипник зависит от:
| Обозначение | Модификация |
|---|---|
| 682 | Основное конструктивное исполнение. |
| S682 | |
| 682H | H = высокая, узкая каретка для двухрядного шарикоподшипника и направляющей в сборе. |
| F682H | H = высокая, узкая каретка для двухрядного шарикоподшипника и направляющей в сборе. |
| FL682 | |
| S682X | X = Внешние размеры, соответствующие международным стандартам. |
| SF682 | |
| 682 X | X = Внешние размеры, соответствующие международным стандартам. |
| 682XH | X = Внешние размеры, соответствующие международным стандартам. |
| F-682 | |
| F682X | X = Внешние размеры, соответствующие международным стандартам. |
| F682XH | X = Внешние размеры, соответствующие международным стандартам. |
| F682ZZ | 2Z = Металлические шайбы с каждой стороны подшипника. |
| SF682X | X = Внешние размеры, соответствующие международным стандартам. |
| 682 ZZ | ZZ = Два металлических экрана. |
| W682SA | S = смазочный паз и три отверстия в наружном кольце подшипника. |
| 682HZZ | ZZ = Два металлических экрана. |
| 682SSA | S = смазочный паз и три отверстия в наружном кольце подшипника. |
| F682HZZ | ZZ = Два металлических экрана. |
| S682-2Z | 2Z = Металлические шайбы с каждой стороны подшипника. |
| W682ZZX | ZZ = Два металлических экрана. X = Внешние размеры, соответствующие международным стандартам. |
| 682 XZZ | ZZ = Два металлических экрана. |
| W682SSA | S = смазочный паз и три отверстия в наружном кольце подшипника. |
| 682X-2Z | 2Z = Металлические шайбы с каждой стороны подшипника. |
| 682XHZZ | ZZ = Два металлических экрана. |
| F682XZZ | ZZ = Два металлических экрана. |
| F682-2Z | 2Z = Металлические шайбы с каждой стороны подшипника. |
| FL682SSA | S = смазочный паз и три отверстия в наружном кольце подшипника. |
| FLW682SA | S = смазочный паз и три отверстия в наружном кольце подшипника. |
| S682X-2Z | 2Z = Металлические шайбы с каждой стороны подшипника. |
| SF682-2Z | 2Z = Металлические шайбы с каждой стороны подшипника. |
| F682XHZZ | ZZ = Два металлических экрана. |
| F682X-2Z | 2Z = Металлические шайбы с каждой стороны подшипника. |
| SF682X-2Z | 2Z = Металлические шайбы с каждой стороны подшипника. |
| F-W682SSA | S = смазочный паз и три отверстия в наружном кольце подшипника. |
| F-FLW682SSA | S = смазочный паз и три отверстия в наружном кольце подшипника. |
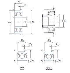
Габаритные размеры
Размеры и геометрические характеристики
Нагрузка и ресурс
Защита
Коэффициенты для расчета
Присоединительные размеры
Конструкция и исполнение
Подшипник шариковый радиальный однорядный с одной защитной шайбой 3060082
Подшипник шариковый радиальный однорядный с двумя защитными шайбами 3080082
Подшипник шариковый радиальный однорядный с упорным бортом на наружном кольце и одной защитной шайбой 3860082
Подшипник шариковый радиальный однорядный с упорным бортом на наружном кольце и двумя защитными шайбами 3880082
Подшипник шариковый радиальный 6-3860082 Ю
Подшипник шариковый радиальный 80082