Главная > Подшипники> Шариковые> Радиальные>682XHZZ

682XHZZ — импортное производство по ISO стандарту, размер 2x6x2 номер основного исполнения 682.
Производитель: AST.
ZZ = Два металлических экрана.
Цена от:36 р.
Цена на подшипник зависит от:
| Обозначение | Модификация |
|---|---|
| 682 | Основное конструктивное исполнение. |
| S682 | |
| 682H | H = высокая, узкая каретка для двухрядного шарикоподшипника и направляющей в сборе. |
| F682X | X = Внешние размеры, соответствующие международным стандартам. |
| F682H | H = высокая, узкая каретка для двухрядного шарикоподшипника и направляющей в сборе. |
| FL682 | |
| S682X | X = Внешние размеры, соответствующие международным стандартам. |
| SF682 | |
| 682 X | X = Внешние размеры, соответствующие международным стандартам. |
| 682XH | X = Внешние размеры, соответствующие международным стандартам. |
| F-682 | |
| F682XH | X = Внешние размеры, соответствующие международным стандартам. |
| F682ZZ | 2Z = Металлические шайбы с каждой стороны подшипника. |
| SF682X | X = Внешние размеры, соответствующие международным стандартам. |
| W682SA | S = смазочный паз и три отверстия в наружном кольце подшипника. |
| 682 ZZ | ZZ = Два металлических экрана. |
| 682HZZ | ZZ = Два металлических экрана. |
| 682SSA | S = смазочный паз и три отверстия в наружном кольце подшипника. |
| F682XZZ | ZZ = Два металлических экрана. |
| F682-2Z | 2Z = Металлические шайбы с каждой стороны подшипника. |
| F682HZZ | ZZ = Два металлических экрана. |
| S682-2Z | 2Z = Металлические шайбы с каждой стороны подшипника. |
| W682ZZX | ZZ = Два металлических экрана. X = Внешние размеры, соответствующие международным стандартам. |
| W682SSA | S = смазочный паз и три отверстия в наружном кольце подшипника. |
| WF682ZZ | Радиальный шарикоподшипник из нержавеющей стали с упорным бортом на наружном кольце. 2Z = Металлические шайбы с каждой стороны подшипника. |
| 682 XZZ | ZZ = Два металлических экрана. |
| 682X-2Z | 2Z = Металлические шайбы с каждой стороны подшипника. |
| F682XHZZ | ZZ = Два металлических экрана. |
| F682X-2Z | 2Z = Металлические шайбы с каждой стороны подшипника. |
| FL682SSA | S = смазочный паз и три отверстия в наружном кольце подшипника. |
| FLW682SA | S = смазочный паз и три отверстия в наружном кольце подшипника. |
| S682X-2Z | 2Z = Металлические шайбы с каждой стороны подшипника. |
| SF682-2Z | 2Z = Металлические шайбы с каждой стороны подшипника. |
| F-W682SSA | S = смазочный паз и три отверстия в наружном кольце подшипника. |
| SF682X-2Z | 2Z = Металлические шайбы с каждой стороны подшипника. |
| F-FLW682SSA | S = смазочный паз и три отверстия в наружном кольце подшипника. |
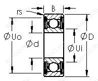
Габаритные размеры
Размеры и геометрические характеристики
Нагрузка и ресурс
Присоединительные размеры
Конструкция и исполнение
Прочие характеристики
Подшипник шариковый радиальный однорядный 05-1000092
Подшипник шариковый радиальный однорядный 1000092
Подшипник шариковый радиальный однорядный 1000092 ZZ (3ММ)
Подшипник шариковый радиальный однорядный с одной защитной шайбой 1060092
Подшипник шариковый радиальный однорядный с двумя защитными шайбами 1080092
Подшипник шариковый радиальный 124-1000092