Главная > Подшипники> Шариковые> Радиальные>W 603 R

W 603 R — радиальный шарикоподшипник из нержавеющей стали с наружным кольцом с фланцем, импортное производство по ISO стандарту, размер 9x3x3 номер основного исполнения 603.
Производитель: SKF.
R = Наружное кольцо с фланцем .
Цена от:29 р.
Цена на подшипник зависит от:
| Обозначение | Модификация |
|---|---|
| 603 | Основное конструктивное исполнение. |
| 603H | H = высокая, узкая каретка для двухрядного шарикоподшипника и направляющей в сборе. |
| S603 | |
| W603 | |
| W603Z | Металлический экран с одной стороны. |
| F-603 | |
| F603H | H = высокая, узкая каретка для двухрядного шарикоподшипника и направляющей в сборе. |
| FL603 | |
| SF603 | |
| 603 ZZ | ZZ = Два металлических экрана. |
| 603HZZ | ZZ = Два металлических экрана. |
| F603ZZ | ZZ = Два металлических экрана. |
| W603ZZX | ZZ = Два металлических экрана. X = Внешние размеры, соответствующие международным стандартам. |
| WF603ZZ | Радиальный шарикоподшипник из нержавеющей стали с упорным бортом на наружном кольце. ZZ = Два металлических экрана. |
| F603-2Z | 2Z = Металлические шайбы с каждой стороны подшипника. |
| F603HZZ | ZZ = Два металлических экрана. |
| FLW603Z | Металлический экран с одной стороны. |
| S603-2Z | 2Z = Металлические шайбы с каждой стороны подшипника. |
| W603X-2Z | 2Z = Металлические шайбы с каждой стороны подшипника. |
| F-W603ZZ | ZZ = Два металлических экрана. |
| FL603 ZZ | ZZ = Два металлических экрана. |
| SF603-2Z | 2Z = Металлические шайбы с каждой стороны подшипника. |
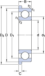
Габаритные размеры
Размеры и геометрические характеристики
Нагрузка и ресурс
Коэффициенты для расчета
Присоединительные размеры
Прочие характеристики