Главная > Подшипники> Шариковые> Упорные>VLA 20 1094 N

VLA 20 1094 N — Подшипник шариковый с четырехточечным контактом, импортное производство по ISO стандарту номер основного исполнения .
Производитель: INA.
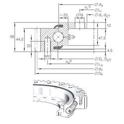
N = Канавка под стопорное кольцо в наружном кольце
Цена по запросу
Цена на подшипник зависит от:
Габаритные размеры
Размеры и геометрические характеристики
Нагрузка и ресурс
Защита
Конструкция и исполнение
Другие размеры
Опорно-поворотный подшипник ELA 20 1094 (SIGMA)
Опорно-поворотный подшипник ELI 20 1094 (SIGMA)
Подшипник шариковый с четырехточечным контактом VLI 20 1094 N (INA)
Подшипник шариковый с четырехточечным контактом VLU 20 1094 (INA)