Главная > Подшипники> Шариковые> Упорные>ELA 20 1094

ELA 20 1094 — Опорно-поворотный подшипник, импортное производство по ISO стандарту номер основного исполнения .
Производитель: SIGMA.
Цена по запросу
Цена на подшипник зависит от:
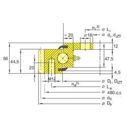
Габаритные размеры
Размеры и геометрические характеристики
Защита
Конструкция и исполнение
Другие размеры
Опорно-поворотный подшипник ELI 20 1094 (SIGMA)
Подшипник шариковый с четырехточечным контактом VLI 20 1094 N (INA)
Подшипник шариковый с четырехточечным контактом VLA 20 1094 N (INA)
Подшипник шариковый с четырехточечным контактом VLU 20 1094 (INA)