Главная > Подшипники> Шариковые> Радиально-упорные>VEX 8 /NS 7CE1

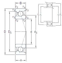
VEX 8 /NS 7CE1 — Радиально-упорный шарикоподшипник, импортное производство по ISO стандарту, размер 8x22x7 номер основного исполнения .
Производитель: SNFA.
С = фенольная смола. E = Расположение внешнего сепаратора. 1 = CD (SKF) = 15 градусов угол контакта.
Цена по запросу
Цена на подшипник зависит от:
Габаритные размеры
Размеры и геометрические характеристики
Нагрузка и ресурс
Защита
Присоединительные размеры
Конструкция и исполнение
Подшипник шариковый радиальный однорядный с одной защитной шайбой 60018
Подшипник шариковый упорный однонаправленный 1008
Подшипник шариковый радиальный самоцентрирующийся 108 TN9 (ISB, SKF)
Подшипник однорядный шариковый радиальный 608 ZZ (CRAFT, CX, FBJ, ISB, ISO)
Подшипник однорядный шариковый радиальный 608 2RSH.C3 (SKF)
Подшипник однорядный шариковый радиальный 608 RSH (SKF)