Главная > Подшипники> Шариковые> Радиально-упорные>VEX 7 /NS 7CE3

VEX 7 /NS 7CE3 — Радиально-упорный шарикоподшипник, импортное производство по ISO стандарту, размер 7x19x6 номер основного исполнения .
Производитель: SNFA.
S = смазочный паз и три отверстия в наружном кольце подшипника.
Цена по запросу
Цена на подшипник зависит от:
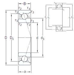
Габаритные размеры
Размеры и геометрические характеристики
Нагрузка и ресурс
Защита
Присоединительные размеры
Конструкция и исполнение
Подшипник однорядный шариковый радиальный 607 (CRAFT, CX, FAG, FBJ, Fersa)
Подшипник однорядный шариковый радиальный 607 2RSH.C3 (FAG)
Подшипник однорядный шариковый радиальный 607 2Z (FAG, NKE, SKF, ZEN)
Подшипник однорядный шариковый радиальный 607 2RS (CRAFT, CX, FAG, Fersa, ISB)
Подшипник однорядный шариковый радиальный 607 2RSH (FAG, SKF)