Главная > Подшипники> Роликовые > Радиально-упорные>TR459536

TR459536 — Подшипник роликовый радиально-упорный, импортное производство по ISO стандарту, размер 45x95x36 основное исполнение.
Производитель: KBC.
Цена по запросу
Цена на подшипник зависит от:
| Обозначение | Модификация |
|---|---|
| TR459536HL | L = массивный сепаратор из лёгкого сплава. |
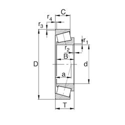
Габаритные размеры
Размеры и геометрические характеристики
Нагрузка и ресурс
Защита
Коэффициенты для расчета
Присоединительные размеры
Конструкция и исполнение
Однорядный конический роликовый подшипник JF4549/JF4510 (Fersa)
Однорядный конический роликовый подшипник T2ED045 (CX, FAG, ISO, KOYO, NKE)