Главная > Подшипники> Роликовые > Радиально-упорные>T2ED045

T2ED045 — Однорядный конический роликовый подшипник, импортное производство по ISO стандарту, размер 45x95x36 основное исполнение.
Производится брендами: CX, FAG, ISO, KOYO, NKE, NSK, SKF.
Конический роликоподшипник некоторых метрических размеров по стандарту ISO 355-1977
D = профиль наружного кольца, усовершенствованный, с увеличенной зоной несущей нагрузки и оптимизированными краевыми переходами.
Цена по запросу
Цена на подшипник зависит от:
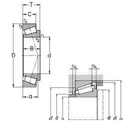
Габаритные размеры
Размеры и геометрические характеристики
Нагрузка и ресурс
Защита
Коэффициенты для расчета
Присоединительные размеры
Конструкция и исполнение
Однорядный конический роликовый подшипник JF4549/JF4510 (Fersa)
Подшипник роликовый радиально-упорный TR459536HL (KBC)
Подшипник роликовый радиально-упорный TR459536 (KBC)