Главная > Подшипники> Роликовые > Радиально-упорные>TR286220

TR286220 — Подшипник роликовый радиально-упорный, импортное производство по ISO стандарту, размер 28x62x19 основное исполнение.
Производитель: KBC.
Цена по запросу
Цена на подшипник зависит от:
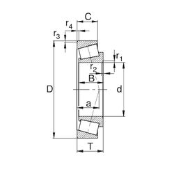
Габаритные размеры
Размеры и геометрические характеристики
Нагрузка и ресурс
Защита
Коэффициенты для расчета
Присоединительные размеры
Конструкция и исполнение
Подшипник для корпуса CUC206-18 (SNR)
Однорядный конический роликовый подшипник 15112/15245 (CX, FBJ, Fersa, ISO, KOYO)
Конический роликоподшипник дюймовая серия 15113/15345 (AST)
Однорядный конический роликовый подшипник 15113/15245 (CX, FBJ, ISO, KOYO, NIS)
Конический роликоподшипник 4T-15112/15245 (NTN)