Главная > Подшипники> Роликовые > Радиально-упорные>15113/15345

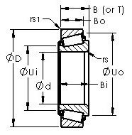
15113/15345 — Конический роликоподшипник дюймовая серия, импортное производство по ISO стандарту, размер 28x62x19 номер основного исполнения .
Производитель: AST.
Цена от:323 р.
Цена на подшипник зависит от:
Габаритные размеры
Размеры и геометрические характеристики
Присоединительные размеры
Конструкция и исполнение
Прочие характеристики
Подшипник для корпуса CUC206-18 (SNR)
Однорядный конический роликовый подшипник 15112/15245 (CX, FBJ, Fersa, ISO, KOYO)
Однорядный конический роликовый подшипник 15113/15245 (CX, FBJ, ISO, KOYO, NIS)
Конический роликоподшипник 4T-15112/15245 (NTN)
Подшипник роликовый радиально-упорный TR286220 (KBC)