Главная > Подшипники> Роликовые > Радиально-упорные>T4DB180

T4DB180 — Конический роликоподшипник, импортное производство по ISO стандарту, размер 180x240x32 номер основного исполнения .
Производитель: SKF.
Конический роликоподшипник некоторых метрических размеров по стандарту ISO 355-1977
B = однокомпонентное ребристое внутреннее кольцо.
Цена от:7 928 р.
Цена на подшипник зависит от:
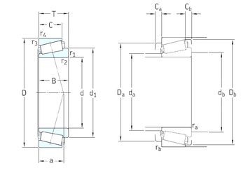
Габаритные размеры
Размеры и геометрические характеристики
Нагрузка и ресурс
Защита
Коэффициенты для расчета
Присоединительные размеры
Конструкция и исполнение
Подшипник роликовый радиально-упорный JP18049/10 (CX, ISO)
Конический роликоподшипник JP18049/JP18010 (TIMKEN)